上ぶた式U型側溝蓋
上蓋式U型側溝用蓋板になります。 手掛け付き。 ※フライアッシュリサイクル製品
歩車道境界ブロック
歩車道境界ブロック 植樹帯用
歩車道境界ブロック[片面R]マウンド型
歩車道境界ブロック[両面R]フラット型
歩車道境界ブロック FLタイプ
地先境界ブロック
歩車道境界ブロック 乗入
歩車道境界ブロック[先付け]フラット型
マンターブルブロック
U型側溝 標準型
U型側溝 落蓋型(落蓋型サイドデッチ)SDL T-14
U型側溝 落蓋型(落蓋型サイドデッチ)SDL用蓋版 T-14
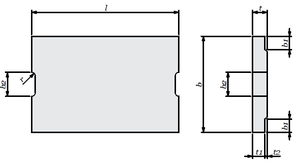
上ぶた式U型側溝
現場打ちU型側溝用蓋版
鉄筋コンクリートL型側溝
ロールドガッター250
また、蓋版関係オーダー製作しております。お気軽にお問い合わせ下さい。
県市枡
先付枡
フラット枡
Fb枡
側溝
集水枡