縁石・地先
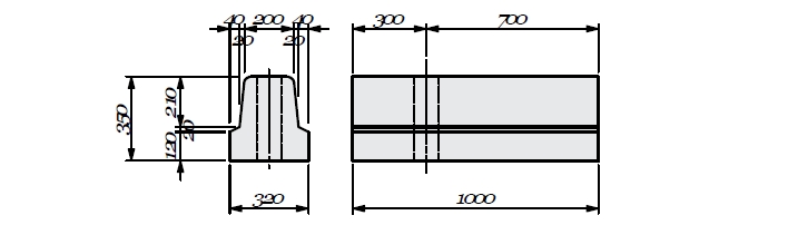
歩車道境界ブロック[先付け]フラット型
石川県タイプの縁石になります。
車道と歩道を縁石のみで区切り路面の高さに変化のない場合に使用します。
またマウンド型と比べ工事に掛かる費用や期間も抑えられます。
※溶融スラグリサイクル品
![歩車道境界ブロック[先付け]フラット型1](images/road_1_10_1.jpg)
![歩車道境界ブロック[先付け]フラット型2](images/road_1_10_2.jpg)
![歩車道境界ブロック[先付け]フラット型3](images/road_1_10_3.jpg)
![歩車道境界ブロック[先付け]フラット型4](images/road_1_10_4.jpg)
![歩車道境界ブロック[先付け]フラット型5](images/road_1_10_5.jpg)
![歩車道境界ブロック[先付け]フラット型6](images/road_1_10_6.jpg)
![歩車道境界ブロック[先付け]フラット型7](images/road_1_10_7.jpg)
![歩車道境界ブロック[先付け]フラット型8](images/road_1_10_8.jpg)
![歩車道境界ブロック[先付け]フラット型9](images/road_1_10_9.jpg)
![歩車道境界ブロック[先付け]フラット型10](images/road_1_10_10.jpg)
![歩車道境界ブロック[先付け]フラット型11](images/road_1_10_11.jpg)
![歩車道境界ブロック[先付け]フラット型12](images/road_1_10_12.jpg)
![歩車道境界ブロック[先付け]フラット型13](images/road_1_10_13.jpg)
道路関連製品一覧
縁石・地先
側溝
また、蓋版関係オーダー製作しております。お気軽にお問い合わせ下さい。
集水枡
集水枡
歩車道境界ブロック[先付け]フラット型