縁石・地先
歩車道境界ブロック 植樹帯用
歩車道境界ブロック 標準
道路の並木及び植樹帯用の境界に使用します。
フライアッシュリサイクル製品


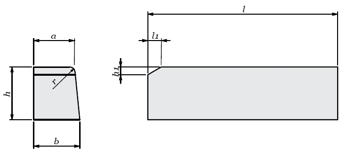
歩車道境界ブロック 面取り
道路の並木及び植樹帯用の境界に使用します。
フライアッシュリサイクル製品


歩車道境界ブロック 90°R
道路の並木及び植樹帯用の境界に使用します。
フライアッシュリサイクル製品

歩車道境界ブロック 90°R 内Rタイプ
道路の並木及び植樹帯用の境界に使用します。
フライアッシュリサイクル製品

見取図

道路関連製品一覧
縁石・地先
側溝
また、蓋版関係オーダー製作しております。お気軽にお問い合わせ下さい。
集水枡
集水枡








