側溝
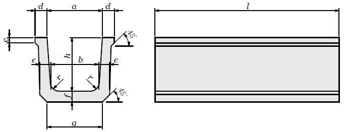
U型側溝 標準型
主に林道や鉄道施設等での路面排水に使用し、集まった排水・雨水を流下させる場合に使用します。
またプレキャスト製品ですので計画的な勾配をつけることができ、また埋設排水施設を使用することがないので経済的です。
※サイドデッチ SD T-14は1m製品になり、U型 T-20は2m製品になります。



道路関連製品一覧
縁石・地先
側溝
また、蓋版関係オーダー製作しております。お気軽にお問い合わせ下さい。
集水枡
集水枡








