L型擁壁
メニュー
トップページ
製品案内
プレストレストコンクリート製品
ロードスラブ(道路橋)
ガードライン
コンクリートフロート
鉄道関連
道路関連
農業用
その他
施工事例
プレストレストコンクリート製品
ロードスラブ
ガードライン
コンクリートフロート
鉄道関連
その他
研究開発
得意分野
企業情報
代表メッセージ
企業理念
沿革
会社概要
アクセス
スタッフ紹介
採用情報
お問い合わせ
トップページ
その他製品
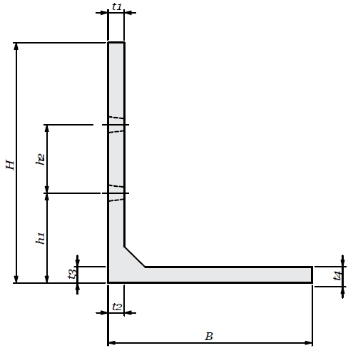
L型擁壁
全国納品可能です。お気軽にお問合せ下さい。
その他製品
L型擁壁
大きな高低差を地面に設ける時に使用します。
土地改良、地盤改良などに、
その他製品一覧
L型擁壁
ソーラーパネル基礎ブロック
BBQグリルU次郎
プチエール
車止めブロック
基礎版
トップへ
MENU
トップ
製品案内
施工事例
研究開発
得意分野
企業情報
製品カタログダウンロード
採用情報
お問合せ
詳しく
PR画面を閉じたい場合は、枠外をクリックして下さい。